Лим болти за ГОСТ 4751-73, DIN 580, від М6 до М72
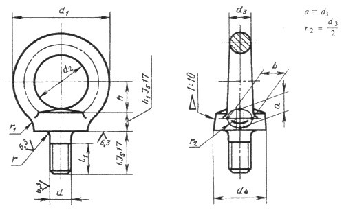
Рим болт за ГОСТ 4751-73, DIN 580 — металеве кільце жорстко з'єднане з циліндричним стрижнем, що має на кінці різь для кріплення до різних конструкцій, механізмів, агрегатів тощо. Нарізану частину стрижня ввертають у кришку машини, корпус двигуна або закладні елементи суднових конструкцій.
ТЕХНІЧНІ ХАРАКТЕРИСТИКИ
DIN 580


ГОСТ 4751-73


Специфікація
Інформація для замовлення
- Ціна: від 33 ₴

